•
Projektek
Kiadásra szánt lakás új köntöse •
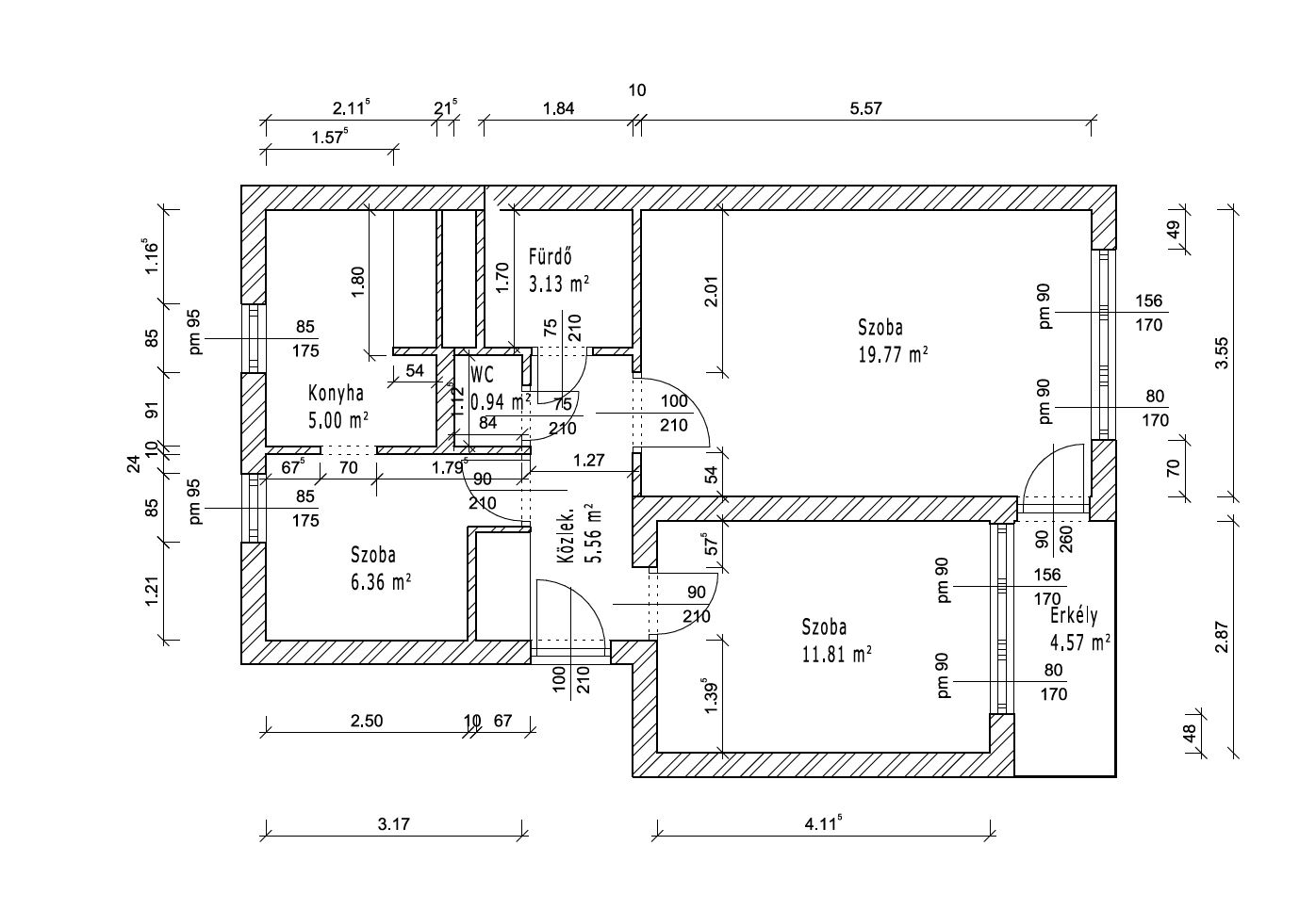
A tervezési feladat egy régi építésű, 1. emeleti, erkélyes társasházi lakás átalakítása és berendezése. A megrendelő igénye, hogy a lakás elrendezésének tartalmaznia kell egy önálló hálószobát, vendég/gyerekszobát, amerikai konyhás nappalit, fürdőszobát és különálló WC-t. A lakást hosszútávú kiadásra szánják, így a berendezés megvalósítása a konyhára, fürdőszobára és a WC-re korlátozódik. A többi helyiség berendezése kiajánlás és látványtervezés miatt valósul meg. A célcsoport fiatal pár, vagy egy gyermekes fiatal pár.
FELMÉRT ALAPRAJZ
BONTÁSI TERV
ÉPÍTÉSI TERV
BERENDEZÉSI TERV
